首页 > 技术支持 > 技术文章

温故而知新,浅析Fuse四大应用领域

安规是产品设计中最严谨的考虑,它关乎人的生命和财产,是安全的有力保障,也是安规器件厂商所肩负的长远责任。


近年来,市场对信息技术、移动和消费电子等各类设备的需求急剧上升,且随着产品的功能日趋强大和功能的复杂化,这类电子设备发生意外情况的风险也相应增大,工程师在整体电路设计时的安全意识也需要不断提高。保险丝(Fuse)作为一种简单而有效的电路保护安规器件,需求量也急剧上升。



安规包含了北美UL欧洲TUV系两大产品认证方向。但是在不同的国家或地区,也有着各自独特的认证流程和体系,而且是带有强制性的。维安保险丝均通过完备的UL、TUV等安规认证。


除安规认证外,电子产品朝着移动、消费类设备变迁的主流趋势,也考验着保险丝厂商们的市场应变能力。维安作为专业的保险丝供应商,积极规划投入更多资源在重大技术、关键工艺的研发上,以满足未来市场与客户的需求。在新兴领域所需的高规格保险丝产品上,产品种类齐全,性能稳定可靠,各类模块电路中所使用的0.25~60A,24~400V保险丝皆可供应,尺寸涵盖0402/ 0603/ 1206/ 2410/ 1140等,常用于笔记本电脑、显示设备、电动工具和汽车电子等领域。



Part 1

Notebook 


保险丝适用于各类电子电器产品电路中,初、次级电路板的过流保护,特别是电源的输入输出端的过流保护,保险丝有其独有的优势。


笔记本电脑形状扁平、体积小,相对而言,电子元器件的集成度高,其连接缆线、端口等都是容易受到侵扰的地方,所以端口防护尤为重要,特别是USB接口Type-C,例如当以上端口遭受环境污染、液体流溅或者体液沾染时,往往会造成输出电流超过设计阈值,出现短路问题。此时,保险丝的正确选用可以及时响应切断电路供电,避免主板上元件被发热损坏或者起火,并保证在部分电路功能缺失的情况下,不影响其他功能的运行。


图片

图一  直流输入电路的过流保护



图片

图二  保险丝在笔记本中的应用


图片

Part 2

LED 


高功率LED具有体积小,功耗低,亮度高,使用寿命长等特点,广泛应用于交通信号灯、广告板、机场跑道、铁路道口、家用照明及医疗/手术照明等场景中。


由于LED是具有二极管特性的发光管,只能单方向通电。通常LED亮度输出与电流成正比,白光LED在大电流下会出现饱和现象,发光效率大幅度降低,甚至失效,保险丝能够防止大电流对LED造成损坏;另外,LED亮度输出与所处的温度成反比,维安保险丝内阻小、能耗低的优点也能有效提高发光效率。


图片

图三  保险丝在LED恒流控制电路中的应用



图片

图四  保险丝在LED灯板上的应用


图片

Part 3

E-tools 


电动工具因为其具有便携、重量小等特点而应用范围十分广泛,如机械工业、建筑装潢、园林绿化、木业加工等都有涉猎,市场容量巨大。


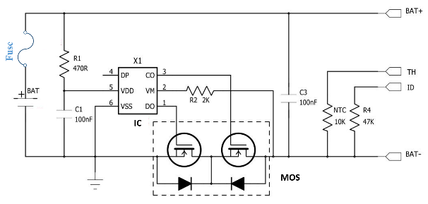
电动工具的动力来源绝大部分为锂离子电池,锂离子电池因外部机械冲击、内部电流或外部充电电压异常过大和温度过高等直接或间接原因可能会导致外部电路短路、内部压力过大等热失控的安全隐患,更有甚者会产生爆炸等现象。因此,锂电池的电池短路、反接以及超温后的保护至关重要,选择合适的保险丝能够有效保护设备不被烧坏,同时避免火灾等安全隐患。


图片

图五  保险丝在电动工具中的应用


图片

图六  保险丝在锂电池保护板中的应用


图片

Part 4

Green Automotive 


电动车因其排放低、运行平稳、噪声和振动小、能源效率高、经济便捷等优势,获得了诸多消费者的青睐。电动车动力电池电源电压一般在200VDC到1000VDC,除动力电池外空调系统暖风系统DC/DC转换系统等大功率回路均需要保险丝的过流保护,加上保护驱动变流控制器电子驻车系统停起传感器车载仪表胎压监测等众多中小功率设备,一台电动车用到的保险丝可多达上百颗。


保险丝的使用可以在一定程度上保护电路中其他电子部件的安全,当电路中发生短路产生大电流时,该保险丝可以安全地切断电路,保护设备不受过电流破坏而引起灾难。


图片

图七  汽车中保险丝的应用



图片

图八  保险丝在车充面板上的应用




维安SMD Fuse产品优势:

● 小体积,高分断能力

● 宽泛的额定电流、额定电压

● 低DCR,低功耗

● 快断、慢断产品可选

● 无铅无卤,安规认证



图片



跳转产品中心页面了解更多维安SMD Fuse产品信息:

https://www.way-on.cn/Product-Center/87.html



想要了解更多WAYON MCU信息,请在下方填写您的需求,我们会尽快与您取得联系,提供专业、全面的解答,期待您的问询!

公司名称
姓名
电话
邮箱
需求

公众号