2021年,USB-IF协会推出了USB Type-C线缆和接口标准v2.1版本,更新了有关供电能力的章节。USB PD3.1规范将原来的USB PD3.0内容归到标准功率范围(Standard Power Range,简称SPR)里面,最大功率保持100W不变,同时增加了扩展功率范围(Extended Power Range,简称EPR),最大功率由100W扩展到240W。
为帮忙客户缩短研发周期,维安(WAYON)推出一款240W电源参考设计,此设计支持100-240Vac~50/60Hz宽范围电压输入,20V输出,最大电流12A,满载效率≥96.5%,输出电压纹波<300mV,外形尺寸仅105mm*58mm*22mm。适用于适配器、POE供电、高功率密度工业电源、电动工具充电器和服务器电源模块等应用。
图1 维安240W无桥方案PCB 正面
图2 维安240W无桥方案PCB 背面
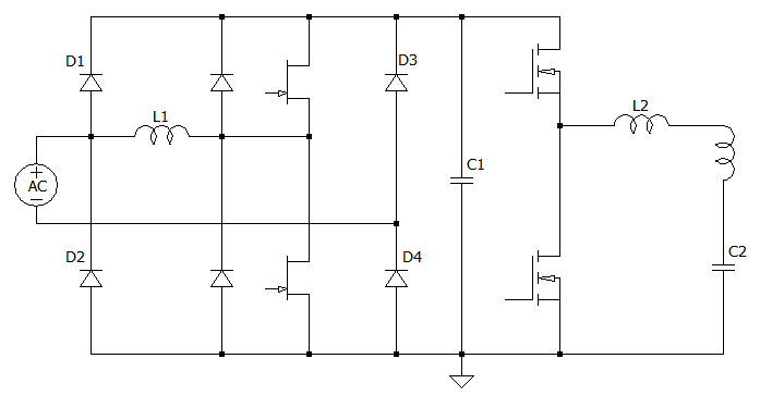
图3 维安240W无桥方案拓扑框架
维安240W 电源方案关键参数
该方案相比图4标准的无桥FPC结构,具有如下特点:
1、D1 D2 作为旁路桥臂,在正常工况同样需要整流桥,将D1 D2 D3 D4使用LOW VF整流桥,省去低频桥臂的MOSFET。
2、高频桥臂开关过程中,同步侧GaN在正弦交流电压低时,驱动并非全周期工作,这会导致GaN多余发热外并SiC SBD后,正温度SiC SBD对GaN做主动热均衡,并充当GaN的全旁路器件。
3、可省去两颗低阻值的SJ MOSFET和一路驱动,同时将GaN器件使用性价比更高的100mΩ,650V ,并外并两颗3A SiC,等效常规PFC。相比传统无桥PFC结构,成本整体降低明显(约10-15RMB)。
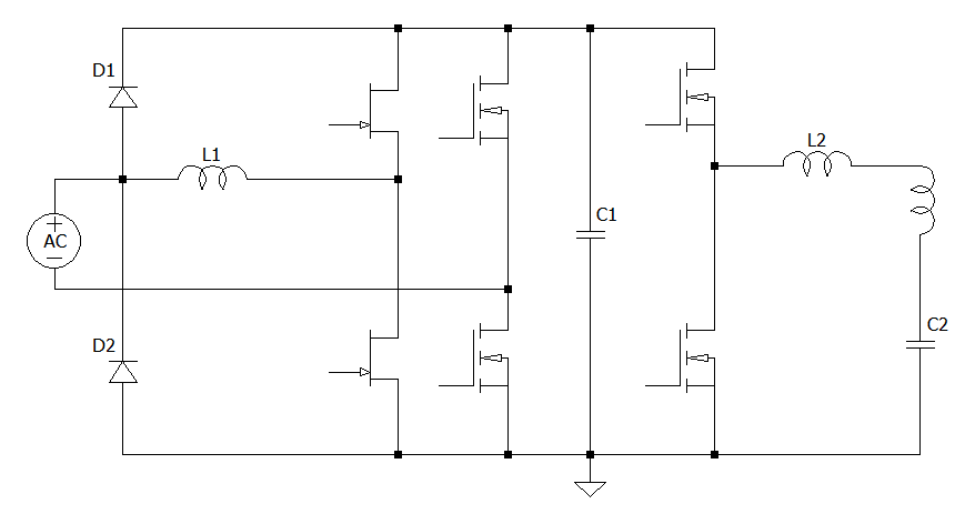
图4 传统结构的无桥PFC 拓扑
图5 维安无桥省去低频桥臂的MOS
能效测试
维安240W电源方案整机能效对比市面上普通硅 MOS产品,半载效率下提高明显,在满载条件下达到超过96.5%效率,和使用SJ MOSFET传统结构的无桥PFC效率相当。但相比SJ MOSFET +70mΩ GaN器件无桥拓扑,维安优化的无桥PFC成本优势突出。

温升测试
上图为维安240W电源方案在无散热片情况下,25℃环境温度下 115V/60Hz裸机连续运行2小时的热成像图。可以看出,由于高效率拓扑设计和搭配维安优异性能器件,240W电源方案背面的实测最大温度仅为77.4℃。
维安在丰富的功率器件产品线基础上,深度结合专业的功率半导体方案研发团队,可以快速推出自主设计、性价比优异的整机方案。
公众号
地址:上海市浦东新区施湾七路1001号
电话:+86-21-5031 0888
邮箱:market@way-on.com
FAE@way-on.com
Copyright (C) Wayon Electronics Co.,Ltd. All Rights Reserved

