导言
肖特基二极管,是以它的发明人肖特基博士名字而命名的,又被称作是肖特基势垒二极管。它是金属与半导体材料相互接触,且形成一定的势垒后开始工作的一种多数载流子器件。
得益于较低的正向压降和较高的开关速度,肖特基二极管广泛用于多种应用,本文将讨论肖特基二极管在适配器领域的功能和优点。
维安肖特基封装外形
肖特基二极管特点
肖特基二极管相对于PN结结构二极管最大特点是正向导通电压低,开关速度快。由于其势垒高度低于PN结势垒高度,正向压降也远低于PN结二极管。另外,肖特基势垒二极管是多数载流子导电器件,不存在少数载流子寿命和反向恢复时间问题。肖特基的反向恢复时间只是肖特基势垒电容的充放电时间,与PN结二极管的反向恢复时间完全不同,且由于其反向恢复电荷很小,开关速度很快,开关损耗也很小。
肖特基工艺平台
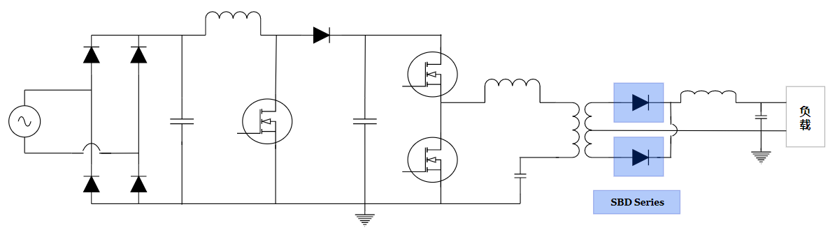
肖特基二极管在适配器领域的典型应用场景
电源开发通常是一个艰难的过程,用户都期望电源达到很高的效率,同时尽可能保持小巧紧凑,另外电源还必须是安全可靠的,这一点不言自明。
肖特基二极管作为高频低压大电流整流二极管、续流二极管、保护二极管广泛应用于开关电源、变频器、驱动器等电路。
在PFC+Flyback或PFC+LLC电路中,次级整流二极管作为耗能元件,损耗大,发热量高。次级整流二极管的选择对于电源整体效率和可靠性是一个非常关键的因素,在高速大电流工作条件下要具有正向压降VF小、反向漏电IR小、反向恢复时间Trr短等特点,肖特基二极管正是最佳选择。另外肖特基二极管的正向压降VF和结温Tj呈现负温度系数。
PFC+Flyback
PFC+LLC
维安开发并推出了电压范围介于45至200V之间的一系列平面肖特基和Trench肖特基。这些器件可在正向压降VF和漏电流IR之间实现适宜的权衡。为进一步比较,维安还与其他制造商的性能进行了对比,漏电流IR与友商水平相当,同规格与友商相比VF要小。
参数对比(Ta=25℃)
维安正在加大对于功率肖特基产品的投入,目前已有三十多款器件大批量出货,另外多款器件正在进行样品评估,为方便快速选型,下表是维安在适配器、TV或PC电源应用中常用肖特基规格型号。
公众号
地址:上海市浦东新区施湾七路1001号
电话:+86-21-5031 0888
邮箱:market@way-on.com
FAE@way-on.com
Copyright (C) Wayon Electronics Co.,Ltd. All Rights Reserved

