气体放电管是一种绝缘的耐温包膜内的电极排列,充有一定量的惰性气体,是一种防雷器件。
它的工作原理是当放电管两极外加电压增大到使极间场强超过气体的绝缘强度时,放电管导通,导通后两极之间电压维持在放电弧道所决定的水平,使得与放电管并联的电子设备免受过电压损坏。
气体放电管的特点在于当元器件的两极电压增大时,放电管电阻反而会处于较小水平;而放电管的响应时间或动作时延与电压脉冲的上升陡度有关。
图一 气体放电管工作原理
维安气体放电管保护产品主要推出:陶瓷气体放电管和玻璃放电管。
陶瓷气体放电管,简称GDT(Gas Discharge Tube)。用陶瓷密闭封装,内部由两个或多个带间隙的金属电极,充以惰性气体氩气、氖气构成。
玻璃放电管,简称SPG(Spark Gap Protectors)。用玻璃密闭封装,由封装在充满惰性气体的玻璃管中相隔一定距离的两个电极组成。
维安气体放电管具有高通流(最高可以达到150KA)、封装多样化(可根据需求定制电极)、电压范围宽(最高可以达到5KV)、低电容(C<0.5PF)等特点,广泛应用于基站、安防、新能源、通讯等领域,目前已在多家知名客户量产出货。
产品介绍
玻璃放电管
陶瓷气体放电管


陶瓷气体放电管(电源类)
电源类GDT封装和通流多样化,无续流。同时电极可以接受定制。
典型应用推荐
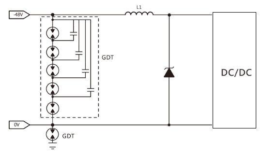
基站DC48V
产品特点
● 封装多样化,最低可以做到2.2mm,同时可满足客户定制需求;
● 高通流(可满足100KA@10/350us);
● 无续流。
电源AC防护
产品特点
● 封装多样化;
● 通流范围宽(0.5KA-150KA@8/20us);
● 电压范围宽(75V-5000V)。
监控视频防护
产品特点
● 封装小型化;
● 通流范围宽,0.5KA-20KA@8/20us。
维安(WAYON)作为电路保护与功率控制的综合解决方案提供商,坚持以客户为导向,以技术为本,通过技术创新引领市场,配合客户在应用方案设计阶段对不同的应用需求进行针对性的保护器件产品开发,并对方案进行优化和提升。
跳转产品中心页面,了解更多维安放电管产品信息:https://www.way-on.cn/Product-Center/83.html
公众号
地址:上海市浦东新区施湾七路1001号
电话:+86-21-5031 0888
邮箱:market@way-on.com
FAE@way-on.com
Copyright (C) Wayon Electronics Co.,Ltd. All Rights Reserved

