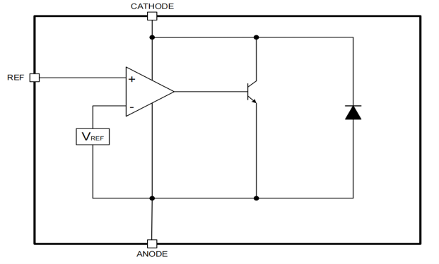
电压基准源是一种精密模拟芯片,它被用来维持高精准、低噪声和恒定的输出电压,即使受到环境温度、电源电压或者负载电流的变化,输出电压也能维持在稳定范围。电压基准源广泛应用于智能自动化、医疗电子、光伏新能源、工业及物联网、汽车电子、数据中心及网络通信领域,在电子系统上发挥着越来越重要的作用。电压基准作为模拟芯片重要的基础元件,已经成为维安高性能模拟IC版块重要的产品系列。维安可调并联电压基准产品WR431,拥有高精度、低温漂、低功耗的优秀特性,能够在宽负载电容范围下稳定工作。
产品亮点
高初始精度消除了系统校准的需求;低温漂系数提高了系统的精度。多种输出电压规格可挑选,宽温度范围覆盖了绝大部分应用场景。在25℃下具有优于±0.4%的精度,并在宽工作温度和电流范围内有良好的温漂性能。维安可提供2.5V 和1.24V两种规格电压基准源产品,该系列产品同时开发有车规级应用和工规级应用,其中车规级别产品均符合汽车AEC-Q100 Grade 1标准,工业级产品可在-40~125℃环境温度下工作,为诸多严苛的工业及汽车应用提供出色的性能。
主要特性
● 可调输出电压范围: 2.5~36V
● 基准源精度:0.4%,0.8%(TA=25℃)
● 低温漂:6mV(TPY)
● 最小阴极维持电流:0.4mA
● 关断电流:0.04uA
● 低温漂系数:20ppm/℃
● 动态阻抗:0.15Ω
● 容性负载高稳定性;
● 宽工作温度范围:-40~125°℃
● 高可靠性特性:2000V-ESD等级
● 可提供封装:SOT23-3,SOT23-5,SOT89,TO92
● 符合汽车AEC-Q100 Grade 1标准
典型应用
图:维安WR431在开关电源的应用
低温漂性能
低温漂特性反映了基准电压VREF在整个温度范围内的偏差,即器件的温度系数。WR431在-40~125°温度范围内基准电压偏差约为9mV。
灌电流能力
灌电流能力反映了WR431在维持基准电压稳定的同时,提供的工作电流能力。WR431可提供1 mA ~150mA 范围内的工作电流。
最小阴极维持电流
最小阴极维持电流反映了WR431维持正常基准电压值所需的最小阴极电流大小。WR431器件仅需要0.4mA的电流即可维持基准电压值。
跳转产品中心页面,了解更多维安电压基准产品信息:https://www.way-on.cn/Product-Center/info-404.html
公众号
地址:上海市浦东新区施湾七路1001号
电话:+86-21-5031 0888
邮箱:market@way-on.com
FAE@way-on.com
Copyright (C) Wayon Electronics Co.,Ltd. All Rights Reserved

