模拟开关的主要功能是完成信号链路中的信号切换,其采用 MOS 管开关方式实现对信号链路关断或打开,从而实现信号开关、隔离、选择、调理、传输等功能。
模拟开关广泛应用于手机及移动设备,网络通信及服务器,工业控制,汽车电子,等各个行业。
图1、图2:模拟开关的基本原理
维安针对模拟开关广泛的客户群和应用,开发了通用模拟开关、高速USB模拟开关、音频模拟开关等信号链产品,持续给客户提供整体解决方案。
理想状态下,模拟开关应具备两大特性:导通时,电阻为零,使得信号能毫无阻碍地传输,输出与输入完全一致;断开时,电阻趋近于无穷大,保证两个信号完全隔离,互不干扰。在这种理想状况下,开关的输入和输出端可依据实际驱动需求灵活互换。
然而,实际的模拟开关由于存在大量寄生效应,会对系统性能产生影响。导通状态下,输入与输出间不可避免地存在一定电阻和电容。这些因素综合作用,会导致输入信号出现不同程度的衰减与失真。而在关断状态时,输入和输出之间同样存在一定的残余电阻和电容,这就使得输出与输入之间仍存在微弱耦合,无法实现彻底的隔离 。
针对模拟开关在应用中的要求,维安高性能模拟开关具有以下特点:
1、低功耗
2、支持过压保护
3、较低的导通电阻
4、高带宽
5、较高的关断隔离度
6、串扰抑制可降低信号失真
7、增强ESD保护
8、工作范围:-40℃ to 85℃
模拟开关的主要性能参数有电压范围、导通电阻、串扰、隔离度、带宽以及眼图等。
1、电压范围
包括供电电压范围以及模拟电压范围。
2、导通电阻
开关路径接通后插入信号路径的电阻。
3、带宽
可通过开关且衰减不超过 3dB 的信号频率范围。
4、隔离度 & 串扰度
关断隔离 (OISO):测量关断状态开关阻抗;
通道间串扰 (XTALK) :对从导通通道到关断通道之间不必要的信号耦合的一种量度。
5、眼图
一系列数字信号在示波器累积而显示的图形,可以观察出码间串扰和噪声的影响。
图3:眼图测试设置
图4:产品测试结果
维安模拟开关产品选型表
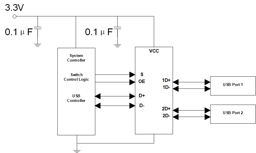
USB模拟开关典型应用电路
跳转产品中心页面,了解更多维安模拟开关产品信息:https://www.way-on.cn/Product-Center/428.html
公众号
地址:上海市浦东新区施湾七路1001号
电话:+86-21-5031 0888
邮箱:market@way-on.com
FAE@way-on.com
Copyright (C) Wayon Electronics Co.,Ltd. All Rights Reserved

