FRMOS,即高压快恢复平面 MOS( Metal-Oxide-Semiconductor Field-Effect Transistor,金属氧化物半导体场效应晶体管),是一种集高压耐受能力、快速开关速度以及低反向恢复电荷等优势于一体的功率半导体器件,如今正以其独特的优势,在众多领域展现出强大的应用潜力。
维安FRMOS采用先进的工艺技术,优化了器件的内部结构,使其在高压应用场景中表现出色。与传统MOSFET相比,维安FRMOS在反向恢复阶段的电荷释放速度更快,能够有效降低开关损耗和电磁干扰(EMI),提升系统的整体性能。
维安FRMOS 优势特点
1、高电压耐受能力
FRMOS的设计使其能够承受较高的电压,这使得它在高电压应用场景中表现出色。无论是电力传输系统中的开关器件,还是高压电源设备中的核心元件,它都能稳定工作,确保电路的安全运行,有效避免因电压过高而导致的器件损坏。
2、快速恢复特性
“快恢复”是其一大亮点。在开关过程中,它能够迅速从导通状态切换到截止状态,大大减少了开关损耗。这意味着在高频开关应用中,如开关电源、逆变器等,FRMOS能够显著提高电路的效率,降低能量损耗,从而实现更高的能效比,为节能降耗做出重要贡献。
3、低导通电阻
平面结构的设计赋予了FRMOS较低的导通电阻。当处于导通状态时,电流能够顺畅地通过,减少了导通损耗。这不仅提高了电路的效率,还能降低器件在工作过程中的发热,延长使用寿命,尤其适用于大电流应用场合,如电动汽车的驱动电路、工业电机控制系统等,确保电路的稳定性和可靠性。
4、良好的热稳定性
在高电压、大电流的工作条件下,器件的散热问题至关重要。FRMOS具有良好的热稳定性,能够在较高温度下保持性能稳定。这意味着它能够适应各种复杂的环境条件,无论是炎热的夏季还是寒冷的冬季,都能稳定工作,减少了因温度变化导致的性能波动,降低了维护成本。
5、易于驱动
FRMOS的驱动电路相对简单,不需要复杂的驱动芯片或电路设计。这使得在实际应用中,工程师能够更轻松地进行电路设计和调试,降低了开发成本和开发周期,提高了产品的上市速度,尤其适合对成本敏感的应用场景。
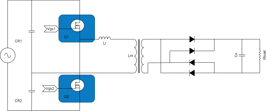
LLC拓扑(开关电源)
维安FRMOS典型应用一
在开关电源中,FRMOS作为核心开关器件,能够实现高效的电能转换。
通过快速的开关动作,将输入的直流电压转换为高频脉冲信号,再经过变压器降压、整流滤波等环节,最终输出稳定的直流电压。
其高电压耐受能力和低导通电阻特性,使其能够在高输入电压和大输出电流的条件下稳定工作,广泛应用于电机驱动,中小功率PC电源等领域。
图1:维安FRMOS在LLC拓扑中的应用
BLDC驱动器(电机驱动)
维安FRMOS典型应用二
在电机驱动器中,它用于控制电机的转速和转矩。
通过精确控制其开关频率和占空比,能够实现对电机的无级调速,提高生产效率和产品质量。
其低导通电阻和良好的热稳定性使其能够在长时间、高负载的工作条件下稳定运行,适用于各种工业自动化设备,如风机、水泵、传送带等的调速控制。广泛应用于各类小家电、白电,如高速吹风机、空调、冰箱、洗碗机等。
维安FRMOS在电机控制应用的优势:
● 兼顾低成本和高性能
● 优异的EMI特性,柔性的dv/dt和更软的反向恢复电流,更易通过认证
● 优秀的高开关频率特性,硬开关频率最高可到50KHz
● 可靠的抗雪崩击穿能力
● 适配200W以下BLDC电机
图2:维安FRMOS在BLDC驱动器中的应用
维安FRMOS 量产型号
跳转产品中心页面,了解更多维安FRMOS产品信息:https://www.way-on.cn/Product-Center/362.html
公众号
地址:上海市浦东新区施湾七路1001号
电话:+86-21-5031 0888
邮箱:market@way-on.com
FAE@way-on.com
Copyright (C) Wayon Electronics Co.,Ltd. All Rights Reserved

